K78 SERIES HEAVY DUTY INDEPENDENT CHUCK
Heavy-duty steel body,for higher rigidity greater rigidity with reinforced nerves,two-piece jaw.
It is widely used in large and heavy duty horizontal lathe or vertical lathe
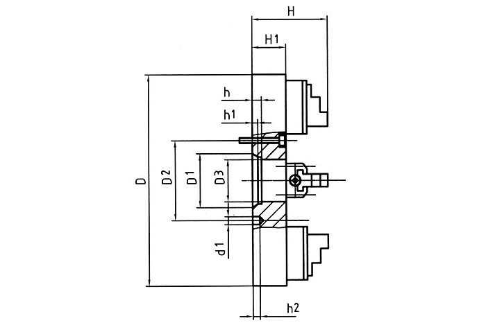
SPECIFICATIONS:
|
Model |
Short-taper No. |
D1 |
D2 |
D3 |
H |
H1 |
h |
h1 |
h2 |
d1 |
z-d |
kgs |
|
1000 |
11 |
196.869 |
235.0 |
180 |
355 |
150 |
20 |
16 |
10.0 |
29.4 |
8-M20 |
580 |
|
1250 |
11 |
196.869 |
235.0 |
180 |
355 |
150 |
20 |
16 |
10.0 |
29.4 |
8-M20 |
830 |
|
1000 |
15 |
285.775 |
330.2 |
280 |
355 |
150 |
21 |
17 |
10.0 |
35.7 |
8-M20 |
578 |
|
1250 |
15 |
285.775 |
330.2 |
280 |
355 |
150 |
21 |
17 |
20.0 |
35.7 |
8-M20 |
826 |
|
1400 |
15 |
285.775 |
330.2 |
280 |
355 |
150 |
21 |
17 |
20.0 |
35.7 |
8-M20 |
1470 |
|
1600 |
15 |
285.775 |
330.2 |
280 |
370/380 |
150/180 |
21 |
17 |
20.0 |
35.7 |
8-M20 |
1920 |
|
2000 |
15 |
285.775 |
330.2 |
280 |
380 |
175 |
21 |
17 |
20.0 |
35.7 |
8-M20 |
2810 |
|
1000 |
20 |
412.775 |
463.6 |
305 |
355 |
150 |
23 |
19 |
10.0 |
42.1 |
8-M24 |
575 |
|
1250 |
20 |
412.775 |
463.6 |
305 |
355 |
150 |
23 |
19 |
10.0 |
42.1 |
8-M24 |
820 |
|
1400 |
20 |
412.775 |
463.6 |
305 |
355 |
150 |
23 |
19 |
10.0 |
42.1 |
8-M24 |
1460 |
|
1600 |
20 |
412.775 |
463.6 |
305 |
370/380 |
150/180 |
23 |
19 |
10.0 |
42.1 |
8-M24 |
1900 |
|
2000 |
20 |
412.775 |
463.6 |
305 |
380 |
175 |
23 |
19 |
10.0 |
42.1 |
8-M24 |
2760 |
|
2500 |
20 |
412.775 |
463.6 |
305 |
405 |
200 |
23 |
19 |
10.0 |
42.1 |
8-M24 |
4930 |